Sinovina là một trong những nhà cung cấp hàng đầu của các thiết bị phụ tùng cho ngành sản xuất xi măng. Chúng tôi cung cấp các sản phẩm chất lượng cao như khớp nối thủy lực YOXy, giúp giải quyết các vấn đề kỹ thuật trong quá trình sản xuất xi măng. Khớp nối thủy lực YOXy của Sinovina được thiết kế để đáp ứng các yêu cầu của ngành sản xuất xi măng với độ bền và độ chính xác cao.
Khớp nối thủy lực YOXy – Giải pháp cho ngành sản xuất xi măng
Khớp nối thủy lực là một thiết bị không thể thiếu trong ngành sản xuất xi măng. Nó được sử dụng để kết nối các bộ phận trong hệ thống thủy lực, giúp truyền động lực từ một bộ phận sang một bộ phận khác. Và trong ngành sản xuất xi măng, khớp nối thủy lực YOXy là một lựa chọn tối ưu để đáp ứng nhu cầu sản xuất của các nhà máy xi măng.
Các ứng dụng của khớp nối thủy lực
Khớp nối thủy lực YOXy được sử dụng rộng rãi trong các thiết bị sản xuất xi măng như máy nghiền và ngẫu hợp thủy lực. Nó giúp kết nối các bộ phận trong hệ thống thủy lực, truyền động lực từ động cơ đến các bộ phận khác nhau trong máy. Điều này giúp tăng hiệu suất và độ chính xác của máy, đồng thời giảm thiểu thời gian bảo trì và sửa chữa.
Khớp nối thủy lực YOXy của Sinovina được ứng dụng rộng rãi trong hệ thống xử lý khí thải của nhà máy xi măng. Nó giúp kết nối các bộ phận trong hệ thống thủy lực của máy xử lý khí thải, giúp máy hoạt động hiệu quả và giảm thiểu chi phí bảo trì và sửa chữa.
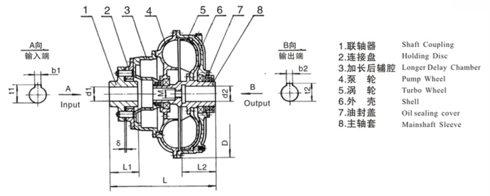
Khớp nối thủy lực là một loại khớp nối sử dụng bằng chất lỏng (dầu, nước) để truyền động giữa động cơ và phụ tải.
Khớp nối thủy lực được sản suất theo các kích thước và công suất tiêu chuẩn có thể chọn theo tiêu chuẩn hoặc đặt hàng phi tiêu chuẩn để phù hợp với thiết bị hiện có tại nhà máy.
Tại sao nên chọn khớp nối thủy lực YOXy của Sinovina
Khớp nối thủy lực YOXy của Sinovina được sản xuất bằng vật liệu chất lượng cao, đảm bảo độ bền và độ chính xác trong quá trình sử dụng. Đặc biệt, khớp nối thủy lực YOXy của Sinovina có thể hoạt động tại áp suất cao, môi trường khắc nghiệt và có khả năng chịu được sự rung động và sốc lực trong quá trình vận hành.
Một điểm mạnh khác của khớp nối thủy lực YOXy của Sinovina là tính linh hoạt trong việc kết nối các bộ phận khác nhau của hệ thống thủy lực. Khớp nối này có thể kết nối đầu bơm với ống dẫn, đầu bơm với van hoặc kết nối các đầu nối khác nhau trong hệ thống thủy lực. Điều này giúp tối ưu hóa việc lắp đặt và bảo trì hệ thống thủy lực, đồng thời giảm thiểu tối đa các rủi ro liên quan đến sự rò rỉ, tràn dầu hay cháy nổ.
Khớp nối thủy lực YOXy

| Model | Tốc độ đầu vào n (vòng/ phút) | Khoảng công suât N (Kw) | Hệ số quá tải TG | Tỷ lệ khe hở S% | Lượng dầu đổ đầy Q (L) | Đường kính lớn nhất D | L | Đầu vào | Đầu ra | δ | M | Cân nặng (kg) | ||
| d1 max | L1 max | d2 max | L2 max | |||||||||||
| YOXY360 | 1000 | 5~10 | 1.3~2.4 | ≤4 | 5.5~7.5 | Ø420 | 360 | Ø55 | 110 | Ø55 | 110 | 2 | 20 | 46 |
| 1500 | 15~32 | |||||||||||||
| YOXY400 | 1000 | 8~16 | 1.3~2.4 | ≤4 | 6.5~9 | Ø470 | 390 | Ø65 | 140 | Ø65 | 140 | 2 | 30×2 | 68 |
| 1500 | 28~55 | |||||||||||||
| YOXY450 | 1000 | 15~30 | 1.3~2.4 | ≤4 | 8.5~13 | Ø522 | 445 | Ø75 | 140 | Ø75 | 140 | 2 | 30×2 | 88 |
| 1500 | 45~90 | |||||||||||||
| YOXY500 | 1000 | 26~50 | 1.3~2.4 | ≤4 | 13~17 | Ø575 | 510 | Ø90 | 170 | Ø90 | 170 | 3 | 42×2 | 115 |
| 1500 | 80~160 | |||||||||||||
| YOXY560 | 750 | 20~40 | 1.3~2.4 | ≤4 | 17~26 | Ø640 | 530 | Ø100 | 210 | Ø100 | 180 | 3 | 42×2 | 160 |
| 1000 | 45~90 | |||||||||||||
| 1500 | 130~270 | |||||||||||||
| YOXY600 | 750 | 28~55 | 1.3~2.4 | ≤4 | 22~32 | Ø690 | 575 | Ø100 | 210 | Ø110 | 210 | 3 | 42×2 | 185 |
| 1000 | 70~132 | |||||||||||||
| 1500 | 200~380 | |||||||||||||
| YOXY650 | 750 | 40~80 | 1.3~2.4 | ≤4 | 28~42 | Ø744 | 650 | Ø120 | 210 | Ø120 | 210 | 3 | 48×2 | 240 |
| 1000 | 90~200 | |||||||||||||
| 1500 | 280~550 | |||||||||||||
| YOXY710 | 750 | 80~132 | 1.3~2.4 | ≤4 | 40~60 | Ø814 | 680 | Ø130 | 210 | Ø130 | 210 | 3 | 48×2 | 300 |
| 1000 | 170~300 | |||||||||||||
| 1500 | 400~760 | |||||||||||||
| YOXY750 | 600 | 45~80 | 1.3~2.4 | ≤4 | 45~70 | Ø854 | 680 | Ø130 | 210 | Ø130 | 210 | 4 | 48×2 | 350 |
| 750 | 100~160 | |||||||||||||
| 1000 | 200~380 | |||||||||||||
| YOXY800 | 600 | 75~120 | 1.3~2.4 | ≤4 | 65~90 | Ø930 | 780 | Ø140 | 250 | Ø140 | 250 | 4 | 48×2 | 430 |
| 750 | 130~250 | |||||||||||||
| 1000 | 300~560 | |||||||||||||
| YOXY875 | 600 | 110~185 | 1.3~2.4 | ≤4 | 80~110 | Ø1000 | 820 | Ø150 | 250 | Ø150 | 250 | 4 | 56×2 | 540 |
| 750 | 180~360 | |||||||||||||
| 1000 | 400~780 | |||||||||||||
| YOXY1000 | 500 | 90~200 | 1.3~2.4 | ≤4 | 100~150 | Ø1136 | 845 | Ø160 | 250 | Ø180 | 300 | 4 | 56×2 | 700 |
| 600 | 170~360 | |||||||||||||
| 750 | 350~650 | |||||||||||||
| YOXY1150 | 500 | 180~400 | 1.3~2.4 | ≤4 | 150~210 | Ø1300 | 960 | Ø180 | 300 | Ø180 | 300 | 5 | 56×2 | 900 |
| 600 | 330~720 | |||||||||||||
| 750 | 650~1300 | |||||||||||||
Ghi chú: YOXy làm cho buồng phụ trong cấu trúc dài hơn. Điểm đặc trưng là thời gian khởi động dài hơn, khoảng 20-30 giây. Dễ dàng thay đổi để cải thiện thời gian của băng tải, trì hoãn thời gian khởi động.
Khớp nối thủy lực YOXy của Sinovina cũng được thiết kế với khả năng tự trung hòa lệch tâm và lệch góc trong quá trình vận hành. Điều này giúp giảm thiểu sự ảnh hưởng đến hệ thống thủy lực khi có những biến động về tốc độ hoặc lực tác động. Đặc biệt, khớp nối thủy lực YOXy của Sinovina có thể giảm thiểu sự ảnh hưởng đến hiệu suất máy nghiền và ngẫu hợp thủy lực trong quá trình vận hành.
Ngoài ra, khớp nối thủy lực của Sinovina cũng được thiết kế với một loạt các tính năng và chức năng tiên tiến, bao gồm khả năng chịu được nhiệt độ cao, chống ăn mòn và chống ăn mòn, độ chính xác cao trong việc kết nối và giảm tiếng ồn trong quá trình vận hành.
Với những tính năng vượt trội và hiệu suất ổn định, khớp nối thủy lực của Sinovina đã được sử dụng rộng rãi trong ngành sản xuất xi măng.




